Purpose of the flight and payload description

FIGARO was the acronym of French-Italian GAmma Ray Observatory, which were a series of balloon-borne experiments specifically designed to observe gamma rays in the 0.15-6 MeV energy range from sources with a definite time signature. As the name implies it was a cooperative development between research institutions which included: Istituto di Fisica Cosmica e Informatica, CNR, Palermo, lstituto di Astrofisica Spaziale (IAS) Frascati and Istituto Astronomico, Universitá "La Sapienza", Roma in the Italian side while France participated through the Centre d'Etude Spatiale des Rayonnements (CESR), Toulouse and the Centre d'Etudes Nucleaires (CEN) in Saclay.

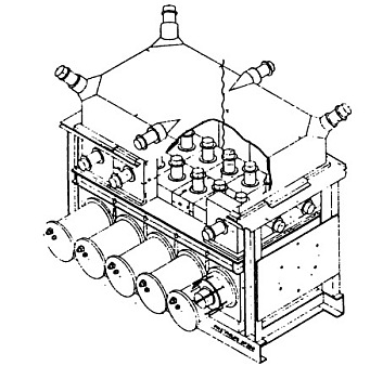
In the figure at left we can see an scheme of the composition of the first iteration of the instrument (click to enlarge). The principal detector of the first FIGARO implementation was an array of 12 NaI(Tl) elements with a thickness of 5 cm and a total geometric area of 4.050 cm2. It was actively shielded against the atmospheric background from the bottom by a plastic scintillator (50 g/cm2 thick), and from the sides by a wall of 14 NaI(Tl) elements (30 g/cm2 thick).

Emission from sources in the large field of view were identified by mean of temporal analysis. Individual pulses, after a 4 bit A/D conversion, were transmitted with a time resolution of 25 microseconds. An independent backup channel transmited counting rate on the same intervals with a 2 microseconds integration time. A pointing system allowed the maximum exposure to favorite candidate sources by altazimuthal tracking with precision better than 1 degree.

Details of the balloon flight

Balloon launched on: 10/30/1983
Launch site: Nelson Garófalo State Airport , Sao Manuel, Brazil  
Balloon launched by: Centre National d'Etudes Spatiales (CNES) / Instituto Nacional de Pesquisas Espaciais (INPE)
Balloon manufacturer/size/composition: Zero Pressure Balloon Winzen 11.600.000 cuft (0.5 Mils - Cap. 0.9 Mils - Stratofilm)
Balloon serial number: 319.18-0.5-NSCHR 0.9 Cap. SN:160
End of flight (L for landing time, W for last contact, otherwise termination time): 10/30/1983 at 0
Landing site: No Flight. Balloon failed during inflation

External references

Images of the mission

Trying to fix a hole developed in the balloon during inflation. It finally failed at launch and flight was aborted.

If you consider this website interesting or useful, you can help me to keep it up and running with a small donation to cover the operational costs. Just the equivalent of the price of a cup of coffee helps a lot.



6173